電話:0373-2682333
手機:15836198876
郵箱:cndahan@163.com
聯系人:李經理
服務熱線:0373-268 2333
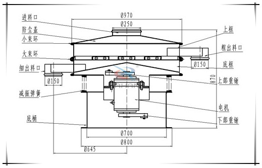
簡介:本品為直徑800mm一層兩出料口篩粉機,與物料接觸部分為304不銹鋼材質,網架為子母式雙層網結構。
電話:0373-2682 333

直徑800篩粉機是一種高精度細粉篩分機械,根據外形結構被部分客戶稱呼為圓形篩粉機,從材質上分標準型篩粉機和普通型篩粉機的,標準型的與物料接觸部分為304不銹鋼材質,底座為碳鋼材質,普通型的通體為普碳鋼材質。
工作原理是由直立式電機作激振源,電機上、下兩端安裝有偏心重錘,通過調整振動電機兩端的偏心重錘之間的相位角,將電機的旋轉運動轉變為水平、垂直、傾斜的三次元運動,再把這個運動傳遞給篩面。調節上、下兩端的相位角,可以改變物料在篩面上的運動軌跡。
1、效率高、設計精巧耐用,任何粉類、粘液均可篩分。
2、換網容易、操作簡單、清洗方便。
3、網孔不堵塞、粉末不飛揚、可篩至400目或0.028mm。
4、雜質、粗料自動排出,可以連續作業。
1、必須均勻給料:給料量以滿足設備處理為準。一次投料過多,阻礙物料在篩面上的正常運動,不但易使篩網疲勞變松,而且會大大降低物料處理量。 一次性給予大量物料,會使本身處于不平衡運轉的電機負荷驟然增加,而造成電機損壞、減低電機的壽命。如給料量達不到設備的處理能力,即浪費能源,又降低了 產量。
2、有強大沖擊力的給料方式,必須加裝緩沖料斗,物料直接沖擊網面,不但消耗振動源所產生的激振力,更易造成網面破損及篩網疲勞,而影響產量及篩分.過濾的質量。
3、如篩分物料有腐蝕性,使用過后請及時清理干凈。
4、請經常觀看工作網是否變松,請再次使網繃緊。
電話:0373-2682333
手機:15836198876
郵箱:cndahan@163.com
聯系人:李經理
Copyright ? 2007-2020 新鄉市大漢振動機械有限公司 | All Rights Reserved
備案序號:豫ICP備09002479號-29