電話:0373-2682333
手機:15836198876
郵箱:cndahan@163.com
聯系人:李經理
服務熱線:0373-268 2333
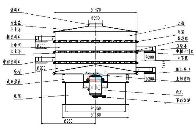
簡介:本品為直徑1500mm三層四出料口篩粉機,與物料接觸部分為304不銹鋼材質,網架為子母式雙層網結構,底座為Q235普碳鋼材質。
電話:0373-2682 333

直徑1500篩粉機是大漢"DH系列篩粉機產品,經客戶多年使用,獲得大量的一線反饋建議,在自有成熟的篩機制造技術基礎上,大漢機械工程師以滿足客戶需求為標準,多次技術改進,篩分效果更加優越,采用"通用"新型動力激振器,三維動力更加突出,適用范圍更加廣泛,大漢機械公司可根據客戶需求設計特殊型號,無論物料是干是濕,是精細是粗糙,是比重大是比重輕,0-400目都可以篩選,不管是液態,還是漿狀的0-600目都可以過濾。
直徑1500篩粉機采用YZUL立式振動電機作為激振源,通過振動電機上下兩端的偏心重錘將旋轉運動轉變為水平、垂直、傾斜的三次元運動,并傳遞到旋振篩的篩面上;物料通過入料口進入設備內,根據不同物料篩分要求,物料經過1-5層采用不同目數的金屬編織篩網的篩分層,在這個過程中,位于各層的篩網下的清網裝置(彈跳球)通過頻率振動不斷撞擊不銹鋼篩網,使篩網上層物料能夠順暢的透網篩分,并有效解決了物料堵網問題出現,不同目數的物料通過各層對應目數的篩網后在各層的出料口排出,最終實現篩選除雜或過濾分級的目的。


1、效率高、設計精巧耐用,產量大,任何粉類、粘液均可篩分。
2、換網容易、操作簡單、清洗方便。
3、網孔不堵塞、粉末不飛揚、可篩至400目或0.028mm。
4、雜質、粗料自動排出,可以連續作業。
電話:0373-2682333
手機:15836198876
郵箱:cndahan@163.com
聯系人:李經理
Copyright ? 2007-2020 新鄉市大漢振動機械有限公司 | All Rights Reserved
備案序號:豫ICP備09002479號-29