電話:0373-2682333
手機:15836198876
郵箱:cndahan@163.com
聯系人:李經理
服務熱線:0373-268 2333
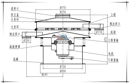
簡介:本品為直徑800mm型一層兩個出料口的單層篩粉機,整機為304不銹鋼材質,廣泛應用于食品、醫藥行業
電話:0373-2682 333


醫藥級標準篩粉機采用YZUL立式振動電機作為激振源,通過振動電機上下兩端的偏心重錘將旋轉運動轉變為水平、垂直、傾斜的三次元運動,并傳遞到旋振篩的篩面上;物料通過入料口進入設備內,根據不同物料篩分要求,物料經過1-5層采用不同目數的金屬編織篩網的篩分層,在這個過程中,位于各層的篩網下的清網裝置(彈跳球)通過頻率振動不斷撞擊不銹鋼篩網,使篩網上層物料能夠順暢的透網篩分,并有效解決了物料堵網問題出現,不同目數的物料通過各層對應目數的篩網后在各層的出料口排出,最終實現篩選除雜或過濾分級的目的。







1、出料口方向可任意調整,粗、細料自動排出,可自動化或人工作業。
2、篩分精度高、效率高,任何粉、粒、粘液類均可使用。
3、篩網不阻塞、粉末不飛揚、篩分最細可達500目(28微米)過濾最細可達5微米。
4、獨特網架設計(子母式)、篩網使用長久、換網方便、僅需3—5分鐘、操作簡單、清洗方便。
5、無機械動作、保養簡易、可單層或多層使用、與物料接觸部位為用不銹鋼制作(醫藥用除外)。
6、獨特網架設計,有效縮短換網時間、解決網目堵塞及凹陷問題,清洗方便,操作簡單。
7、密封性好,粉末不飛揚,液體不滲漏。
8、物料自動排出,可以連續作業。



(一)設備應有穩定的基礎。當設備安裝于一般地面或水泥基礎上時,可以不設置地腳螺栓。當設備安裝于鋼結構架臺之上時,應用螺栓緊固于結構體上,而且鋼結構架臺應有一定的鋼度。
本機只需三相開關一只(備注:最好使用電氣控制盤),用蛇皮管穿線,將電機接至電源即可,注意電氣控制盤應懸掛安裝于墻上。
(二)設備出廠前已將篩網裝妥,使用過程中的篩網更換可自己更換。
(三)開機前,應先檢查各壓緊螺栓的緊固程度,及各料口的位置是否與接料器對正,并觀察振動電機是否能正常轉動及彈簧受力有無阻礙,檢查各層篩網是否壓緊。
(四)當旋振篩接入電氣控制盤之前,應首先對電氣控制盤進行檢查。線路接通后觀察振動電機旋轉方向是否是順時針方向, (備注:否則應改變相序)運轉是否正常,有無異噪聲。
(五)調節振動電機上下偏心塊的相位角,以適應各種物料篩分情況。
電話:0373-2682333
手機:15836198876
郵箱:cndahan@163.com
聯系人:李經理
Copyright ? 2007-2020 新鄉市大漢振動機械有限公司 | All Rights Reserved
備案序號:豫ICP備09002479號-29