電話:0373-2682333
手機:15836198876
郵箱:cndahan@163.com
聯系人:李經理
服務熱線:0373-268 2333
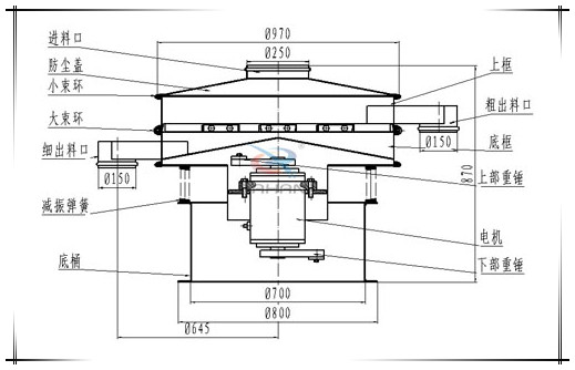
簡介:本品為直徑800mm型一層兩個出料口的淀粉篩粉機,整機為不銹鋼材質,廣泛應用于食品、醫藥等行業。
電話:0373-2682 333

800型食品級淀粉篩粉機是一種高精度細粉篩分機械,為滿足客戶的需求,整機采用304不銹鋼材質,符合衛生標準,能有效防止篩子污染物料,廣泛應用于各種食品行業。

800型食品級淀粉篩粉機由直立式振動電機作為激振源,電機上、下兩端安裝有偏心重錘,將電機的旋轉運動轉變為水平、垂直、傾斜的三次元運動,再把這個運動傳遞給篩面進行篩分。調節上、下兩端的相位角,可以改變物料在篩面上的運動軌跡。通過改變振動電機的上下2塊偏心塊的夾角和質量,振動電機即可帶動設備產生不同大小的振動力,從而改變水平或垂直方向的振動幅度,進而改變篩分的流量和效率。








1、出料口方向可任意調整,粗、細料自動排出,可自動化或人工作業。
2、篩分精度高、效率高,任何粉、粒、粘液類均可使用。
3、篩網不阻塞、粉末不飛揚、篩分最細可達500目(28微米)過濾最細可達5微米。
4、獨特網架設計(子母式)、篩網使用長久、換網方便、僅需3—5分鐘、操作簡單、清洗方便。
5、無機械動作、保養簡易、可單層或多層使用、與物料接觸部位為用不銹鋼制作(醫藥用除外)。
6、獨特網架設計,有效縮短換網時間、解決網目堵塞及凹陷問題,清洗方便,操作簡單。
7、密封性好,粉末不飛揚,液體不滲漏。
8、物料自動排出,可以連續作業。
9、采用直立式振動電機,無機械傳。

1、必須均勻給料:給料量以滿足設備處理為準。一次投料過多,阻礙物料在篩面上的正常運動,不但易使篩網疲勞變松,而且會大大降低物料處理量。 一次性給予大量物料,會使本身處于不平衡運轉的電機負荷驟然增加,而造成電機損壞、減低電機的壽命。如給料量達不到設備的處理能力,即浪費能源,又降低了 產量。
2、有強大沖擊力的給料方式,必須加裝緩沖料斗,物料直接沖擊網面,不但消耗振動源所產生的激振力,更易造成網面破損及篩網疲勞,而影響產量及篩分.過濾的質量。
3、如篩分物料有腐蝕性,使用過后請及時清理干凈。
4、請經常觀看工作網是否變松,請再次使網繃緊。
電話:0373-2682333
手機:15836198876
郵箱:cndahan@163.com
聯系人:李經理
Copyright ? 2007-2020 新鄉市大漢振動機械有限公司 | All Rights Reserved
備案序號:豫ICP備09002479號-29