電話:0373-2682333
手機:15836198876
郵箱:cndahan@163.com
聯系人:李經理
服務熱線:0373-268 2333
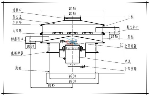
簡介:本品為直徑800mm型一層兩個出料口的振動篩粉機,與物料接觸部分為304不銹鋼材質,底座為Q235碳鋼材質,網架結構為子母網分離式結構。
電話:0373-2682 333

關于“化工粉振動篩分機”:是所有振動篩分設備類產品的總稱,確切的講圓形的振動篩根據國家相關標準叫“旋振篩”,由于其振動運轉原理很多企業也稱之為“三次元振動篩分過濾機”,本機是根據原料材質也可稱為“不銹鋼振動篩”。化工粉振動篩分機為直徑800mm型單層兩出口全不銹鋼三次元振動篩,子母雙層網分離式網架,整機為304不銹鋼材質。彈簧外圍加304不銹網裙邊。化工粉振動篩分機主要用于:食品行業、醫藥行業、化工行業較多。
振動篩粉機采用YZUL立式振動電機作為激振源,通過振動電機上下兩端的偏心重錘將旋轉運動轉變為水平、垂直、傾斜的三次元運動,并傳遞到旋振篩的篩面上;物料通過入料口進入設備內,根據不同物料篩分要求,物料經過1-5層采用不同目數的金屬編織篩網的篩分層,在這個過程中,位于各層的篩網下的清網裝置(彈跳球)通過頻率振動不斷撞擊不銹鋼篩網,使篩網上層物料能夠順暢的透網篩分,并有效解決了物料堵網問題出現,不同目數的物料通過各層對應目數的篩網后在各層的出料口排出,最終實現篩選除雜或過濾分級的目的。
1、體積小、重量輕、移動方便、出料口方向可任意調整,粗、細料自動排出,可自動化或人工作業。
2、篩分精度高、效率高,任何粉、粒、粘液類均可使用。
3、篩網不阻塞、粉末不飛揚、篩分最細可達500目(28微米)過濾最細可達5微米。
4、獨特網架設計(子母式)、篩網使用長久、換網方便、僅需3—5分鐘、操作簡單、清洗方便。
5、無機械動作、保養簡易、可單層或多層使用、與物料接觸部位為用不銹鋼制作(醫藥用除外)。
6、獨特網架設計,有效縮短換網時間、解決網目堵塞及凹陷問題,清洗方便,操作簡單。
7、密封性好,粉末不飛揚,液體不滲漏。
8、物料自動排出,可以連續作業。
9、采用直立式振動電機,無機械傳動,使激振力傳遞過程無損耗,有效傳遞至篩面。
1、必須均勻給料:給料量以滿足設備處理為準。一次投料過多,阻礙物料在篩面上的正常運動,不但易使篩網疲勞變松,而且會大大降低物料處理量。 一次性給予大量物料,會使本身處于不平衡運轉的電機負荷驟然增加,而造成電機損壞、減低電機的壽命。如給料量達不到設備的處理能力,即浪費能源,又降低了 產量。
2、有強大沖擊力的給料方式,必須加裝緩沖料斗,物料直接沖擊網面,不但消耗振動源所產生的激振力,更易造成網面破損及篩網疲勞,而影響產量及篩分.過濾的質量。
3、如篩分物料有腐蝕性,使用過后請及時清理干凈。
4、請經常觀看工作網是否變松,請再次使網繃緊。
電話:0373-2682333
手機:15836198876
郵箱:cndahan@163.com
聯系人:李經理
Copyright ? 2007-2020 新鄉市大漢振動機械有限公司 | All Rights Reserved
備案序號:豫ICP備09002479號-29